Інтернет магазин "Трактор МТЗ" - Запчастини до с/г техніки

Запчастини до тракторів МТЗ Т-25 Т-40, стартери, генератори, LED фари та ін.

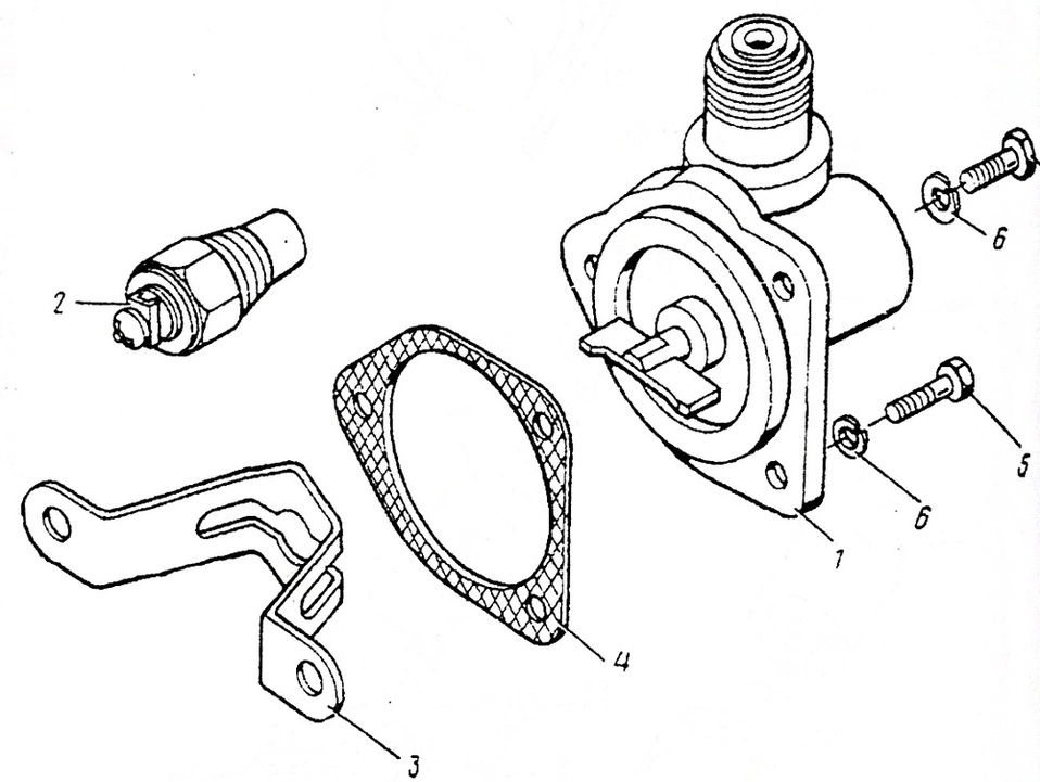
Привід тахоспідометра

Телефони: +380963250892, +380958631427

1. ПТ-3802210А-53 Привід тахоспідометра

2. ГМ100В-3808000 Датчик

3. Д120-3802429 Планка

4. Д30-3818018Б Прокладка

5. М6.6g×16.88.35.019 Болт

6. 6Т.65Г.06 Шайба

 

Код: Д120-3802429
В наявності
Код: ГМ100В-3808000
В наявності
Код: ПТ-3802010А-53
В наявності
Категории
Контакты
  • Інтернет магазин "Трактор МТЗ"
  • Україна, Володимир-Волинський, Волинська обл. вул. Івана Мазепи 21 45001